Coursework
E-Wiz
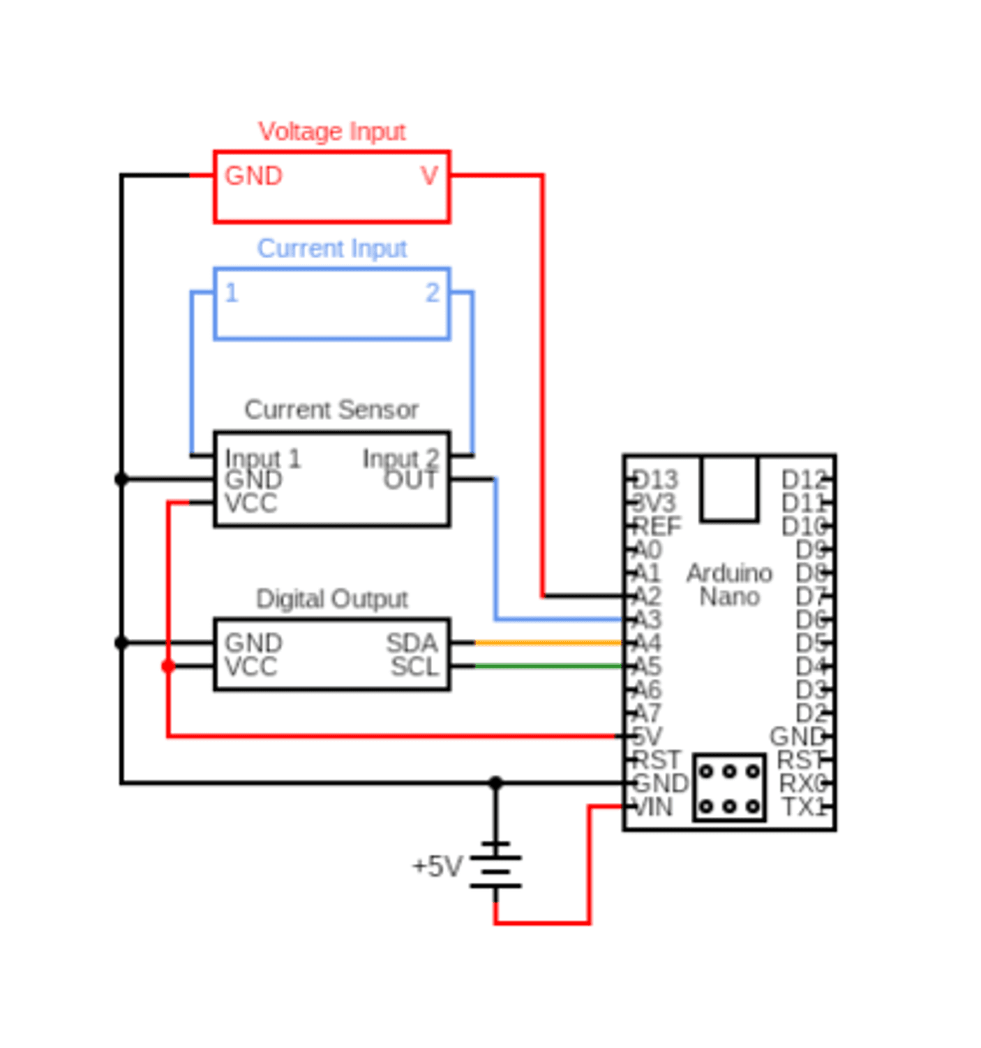
Wearable Multimeter
Mechanical DesignElectronicsCpp

Course: 2.009 - The Product Engineering Process
This course involved exploring different product ideas, then down-selecting to design, manufacture, and present a final product.
E-Wiz was one of our early design ideas. We did not select it for a final product, but it was really fun!
While originally meant for kids learning about electronics, we also explored developing E-Wiz as a product to help linemen detect dangerous voltage levels before contacting live wire or water exposed to live wire (hence the linemen gloves).


electrical schematic
